
|
店鋪基本資料信息
|
|||||||||||||||||||||||
Lodestar Air XL 氣動環鏈葫蘆
Lodestar Air XL 氣動環鏈葫蘆 德國耶魯yale氣動環鏈葫蘆
額定載荷 2000 - 7500 公斤
Lodestar Air XL型氣動環鏈葫蘆系列是您物料搬運的理想選擇,可應用于電動葫蘆無法操作的環境。Lodestar Air XL型氣動環鏈葫蘆系列可提供多種控制速度,比電動葫蘆更加節約成本。
產品特性
· Lodestar XL型氣動環鏈葫蘆的額定載荷*高為7.5噸,具有高工作級別和無級變速來精確定位,是不能提供電源的危險環境的理想選擇。
· 可在90 PSI (6.2bar)氣壓下每分鐘運行2.7至9.3米。
· 采用控制手柄操作,可精細定位。
· 配有吊鉤或吊柄懸掛方式。吊柄懸掛方式可與手推/手拉小車或氣動小車搭配使用。
· 由6葉片組成氣動馬達具有高扭矩,平穩操作。
· 采用先導控制閥啟動更平穩。
· 氣動馬達制動裝置可有效控制重物。
· 采用精細鍛壓鋼的齒輪傳動機構經油浸潤滑,可更加長久和安靜的操作。
· 采用10窩輪的起升鏈輪,可更加平穩操作并減少鏈條磨損。
· 具有過載保護裝置,防止葫蘆,操作者等由于過載操作而受到損傷。
· 精細定位-重物的上下速度可在零至*大值之間連續變量。
· 可在極高溫度下操作-可在高溫下操作而無需額外保護。
· 提俠更高的速度需求-對于速度要求十分苛刻的應用,Lodestar Air XL型氣動環鏈葫蘆系列可提供更高的速度。
· 遠離電擊危險-氣壓是氣動葫蘆的動力來源,因此較之電動葫蘆具有遠離電擊的顯著優勢。
· 易于維護-較之電動葫蘆沒有接觸器,變壓器,馬達組件,保險絲等需要更換配件。只要提供優質氣源并潤滑,Lodestar Air XL型氣動環鏈葫蘆系列是非常易于維護。
產品選項
· 可選防火花選項一可提供鍍銅吊鉤,不銹鋼安全搭扣和鍍質起重鏈條。
技術參數|
型號 |
額定載荷 kg |
標準起升高度 m |
空氣壓力 bar |
負載時起升速度 m/min |
氣動小車速度 m/min |
下吊鉤鏈條數 |
工字鋼寬度 mm |
*小轉彎半徑 m |
負載時耗氣量 m³/min |
氣管接頭尺寸 |
風管*小內徑 mm |
排氣口尺寸 |
凈重 kg |
|||
|
吊鉤式 |
手推式 |
手拉式 |
氣動小車式 |
|||||||||||||
|
YAXL0231 |
2000 |
3 |
6.2 |
9.4 |
15.2 |
1 |
85-141 |
1.2 |
5.0 |
1 NPT |
25.4 |
11/4 NPT |
157 |
184 |
205 |
229 |
|
YAXL0321 |
3000 |
3 |
6.2 |
6.4 |
15.2 |
2 |
102-159 |
1.2 |
5.0 |
1 NPT |
25.4 |
11/4 NPT |
191 |
216 |
222 |
258 |
|
YAXL0513 |
5000 |
3 |
6.2 |
3.9 |
15.2 |
2 |
102-159 |
1.8 |
5.0 |
1 NPT |
25.4 |
11/4 NPT |
191 |
261 |
266 |
277 |
|
YAXL0610 |
6000 |
3 |
6.2 |
3.0 |
15.2 |
3 |
102-159 |
1.8 |
5.0 |
1 NPT |
25.4 |
11/4 NPT |
205 |
275 |
280 |
291 |
|
YAXL07.509 |
7000 |
3 |
6.2 |
2.6 |
15.2 |
3 |
102-159 |
1.8 |
5.0 |
1 NPT |
25.4 |
11/4 NPT |
N/A |
275 |
280 |
291 |
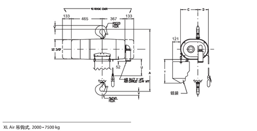
外形尺寸
XL吊鉤式外形尺寸
|
型號 |
2t |
3t&5t |
6t |
|
A, mm |
635 |
897 |
919 |
|
C, mm |
214 |
289 |
289 |
|
D, mm |
206 |
140 |
140 |
|
T, mm |
360 |
360 |
360 |
|
U, mm |
1905 |
1905 |
1905 |
|
V, mm |
38 |
57 |
57 |
|
W, mm |
29 |
41 |
41 |
|
X, mm |
33 |
52 |
52 |
|
Z, mm |
105 |
140 |
140 |
XL手推/手拉式外形尺寸
|
型號 |
2t |
3t |
5t |
6t & 7.5t |
|
A, mm |
729 |
851 |
857 |
879 |
|
B, mm |
248 |
265 |
271 |
271 |
|
C, mm |
214 |
289 |
289 |
289 |
|
D, mm |
213 |
140 |
140 |
140 |
|
E, mm |
241 |
232 |
305 |
305 |
|
F, mm |
89 |
83 |
122 |
122 |
|
H, mm |
133 |
144 |
68 |
68 |
|
J, mm |
256 |
267 |
191 |
191 |
|
K, mm |
119 |
102 |
165 |
165 |
|
L, mm |
13 |
16 |
16 |
16 |
|
M, mm |
13 |
68 |
0 |
0 |
|
N, mm |
127 |
92 |
98 |
98 |
|
P, mm |
32 |
10 |
11 |
11 |
|
T, mm |
360 |
360 |
360 |
360 |
|
U, mm |
1905 |
1905 |
1905 |
1905 |
|
V, mm |
38 |
57 |
57 |
57 |
|
W, mm |
29 |
41 |
41 |
41 |
|
X, mm |
33 |
52 |
52 |
52 |
|
Y, mm |
287 |
327 |
283 |
283 |
|
Z, mm |
- |
486 |
486 |
486 |

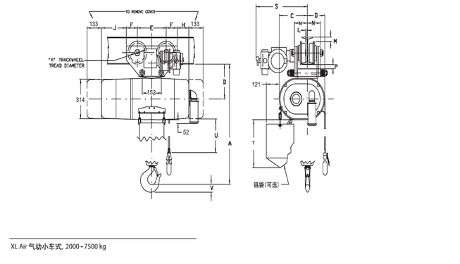
XL氣動小車式外形尺寸
|
型號 |
2t |
3t |
5t |
6t & 7.5t |
|
A, mm |
851 |
851 |
857 |
879 |
|
B, mm |
265 |
265 |
271 |
271 |
|
C, mm |
237 |
289 |
289 |
289 |
|
D, mm |
192 |
140 |
140 |
140 |
|
E, mm |
232 |
232 |
305 |
305 |
|
F, mm |
83 |
83 |
122 |
122 |
|
H, mm |
144 |
144 |
68 |
68 |
|
J, mm |
267 |
267 |
191 |
191 |
|
K, mm |
102 |
102 |
165 |
165 |
|
L, mm |
16 |
16 |
16 |
16 |
|
M, mm |
68 |
68 |
0 |
0 |
|
N, mm |
92 |
92 |
98 |
98 |
|
P, mm |
10 |
10 |
11 |
11 |
|
S, mm |
405 |
405 |
451 |
451 |
|
T, mm |
360 |
360 |
360 |
360 |
|
U, mm |
1905 |
1905 |
1905 |
1905 |
|
V, mm |
57 |
57 |
57 |
57 |
|
W, mm |
41 |
41 |
41 |
41 |
|
X, mm |
52 |
52 |
52 |
52 |

品類齊全
省心省力,一站購齊
一對一客服
選型詢價,快速響應
貨期保障
多倉直發,貨期無憂
正品貨源
正品保障,誠信服務




