軸承型號:29412-E 品牌:FAG 系列:推力調心滾子軸承 新型號:29412-E 舊型號:29412-E 內徑(d):60mm 外徑(D):130mm 厚度(B):mm 額定靜負荷: 額定動負荷: 額定轉速:2750 詳細介紹:推力調心滾子軸承 系列備注:推力調心滾子軸承

推力調心滾子軸承與調心滾子軸承同樣,座圈滾道面是以與軸承中心軸上一致的點為中心的球面,該類軸承滾子為球面型,因此,具有自動調心功能,對同軸度和軸的撓曲不甚敏感。
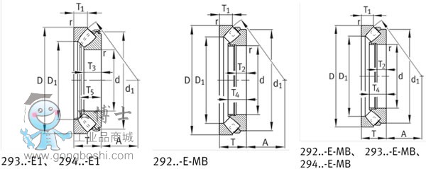
產品特征
與樣本中其他推力軸承不同,這類軸承軸向載荷能力非常大,在承受軸向載荷的同時還可承受若干徑向載荷,但徑向載荷不得超過軸向載荷的55%。
只要載荷P和P0不超過0.05C0,且軸圈旋轉,則軸承允許下表所列的調心角。
軸承直徑系列 調心角 軸承直徑系列 調心角 200系列 1°~1.5° 300系列 1.5°~2° 400系列 2°~3° 小的數值適用于較大的軸承,而且載荷增大時允許的調心角將會減小。
使用時一般采用油潤滑。
推力圓錐滾子軸承只能承受單向軸向載荷,能限制軸承單向軸向位移,故可用作單向軸向定位。與推力圓柱滾子軸承相比,承載能力大、相對滑動小,但極限轉速較低。
軸承性能特點
1、調心滾子軸承的外圈與軸承座殼體孔不宜采用過盈配合,內圈與軸頸的配合也不宜過緊,要求在安裝中使用螺母調整時應能使其產生較靈活的軸向位移。因為調心滾子軸承若采用過盈配合,易使軸承的接觸角改變,造成軸承載荷分布不均,引起高的溫升。故而,這類軸承的內、外圈與軸頸和軸承座殼體孔的安裝配合,一般應以雙手大拇指能將軸承剛剛推入軸頸與殼體孔為*好。
2、對于調心滾子軸承的安裝軸向游隙,可用軸頸上的調整螺母、調整墊片和軸承座孔內的螺紋,或用預緊彈簧等方法進行調整。軸向游隙的大小,與軸承安裝時的布置、軸承間的距離、軸與軸承座的材料有關,可根據工作條件確定。對于高載荷高轉速的調心滾子軸承,調整游隙時,必須考慮溫升對軸向游隙的影響,將溫升引起的游隙減小量估算在內,也就是說,軸向游隙要適當地調整得大一點。對于低轉速和承受振動的軸承,應采取無游隙安裝,或施加預載荷安裝。其目的是為了使調心滾子軸承的滾子和滾道產生良好接觸,載荷均勻分布,防止滾子和滾道受振動沖擊遭到破壞。調整后,軸向游隙的大小用千分表檢驗。方法是先將千分表固定在機身或軸承座上,使千分表觸頭頂住軸的光潔表面,沿軸向左右推軸,表針的*大擺動量即為軸向游隙值。
用途
該類軸承主要應用于石油鉆機,制鐵制鋼機械,水力發電機,立式電動機,船舶用螺旋槳軸,塔吊,擠壓機等。