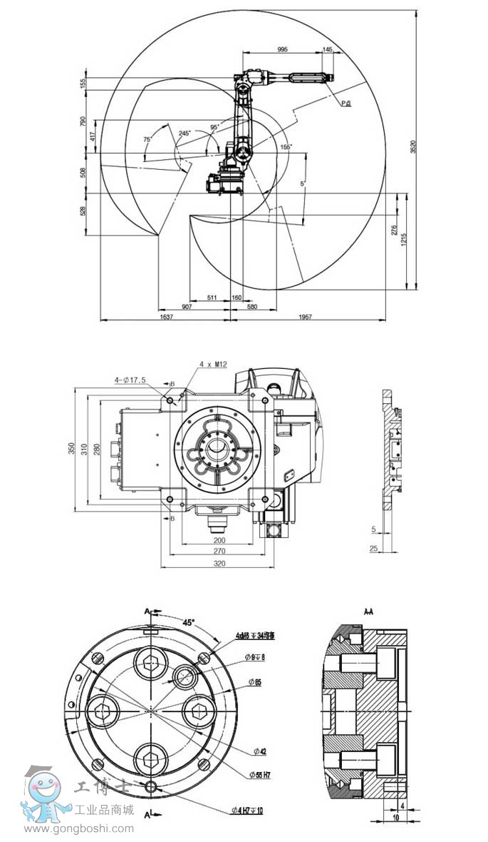
新松全新SR10A系列機型支持中空式和外置式兩種類型加長型手臂設計,*大負載能力達10kg,作用半徑長達約1957mm。機械結構緊湊,精致。工作空間范圍更廣。同時還具備極高的精確度,性能穩定可靠。防護等級IP65,可以毫無問題地應對惡劣的外部生產條件。靈巧腕部及超強扭矩的**融合,縮短了運動的作業時間,實現多樣性和靈活性的*大化。此類機器人在焊接領域獨占鰲頭,可以輕松到達2m半徑內結構件腔體內部完成焊接,滿足您理想的焊接效果。同時在打磨、搬運、裝配等低負載、高精度、高速度應用領域也毫不遜色。

/·經濟可行·/
性價比高,安裝、運行及維護成本低廉
/·優化設計·/
外形全新的優美造型設計,機械結構和控制裝置*優化設置
/·調度控制·/
擁有主從機器人協調技術,實現線上多臺調度式高效生產
/·多軸聯動·/
按需構建靈活的外部軸配置系統,支持多軸實時聯動技術,支持吊裝和掛裝
/·速度精準·/
動作速度出類拔萃,滿足苛刻生產節拍
/·柔性擴展·/
網絡化控制系統,豐富的外部接口及擴展能力
/·技術支持·/
完全開放的自主系統,支持各種應用開發
/·動態優化·/
新松虛擬工作站軟件支持CAD模型重建及基于CAD模型的機器人免示教作業
/·配套應用·/
支持視覺、力覺等各種智能傳感信息
/·備品備件·/
零部件磨損率低,備品備件質優價廉,可迅速更換,定期維護,延長壽命
/·客戶服務·/
主動及時的本地化客戶服務,免您后顧之憂
技術參數