| |
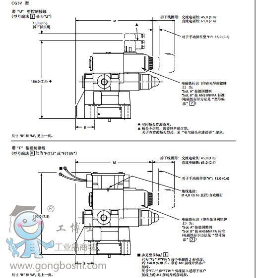
威格士vickers壓力控制閥板式安裝CG2V-6/8, 10 系列;CG5V-6/8, 20 系列 |
 點擊圖片查看原圖
|
|
| 品牌: |
vickers |
| 單價: |
面議 |
| 所在地: |
上海 |
| 有效期至: |
長期有效 |
| 最后更新: |
2016-06-28 16:07 |
| 瀏覽次數: |
273 |
 |
|
|
|
- VICKERS服務商
-
[VIP第3年] 指數:4
-
通過認證 [誠信檔案]
-
聯系人趙尉宏(先生) 銷售經理
- 會員 [當前離線] [加為商友] [發送信件]
- 郵件zwh@gongboshi.com
- 電話13262790359
- 手機13262790359
- 地址上海市寶山區富聯一路98弄6號
-
|
|