
![042341441953[1]](http://www.aoturen.cn/file/upload/201609/12/13/13-54-12-77-22278.png)
|
筒徑(mm)
|
功率(km)
|
寬帶(mm)
|
帶速(m/s)
|
筒徑(mm)
|
功率(mm)
|
寬帶(mm)
|
|||||||||||||||
|
0.8
|
1.0
|
1.25
|
1.6
|
2.0
|
2.5
|
3.15
|
4.0
|
0.8
|
1.0
|
1.25
|
1.6
|
2.0
|
2.5
|
3.15
|
4.0
|
||||||
|
320
|
1.5
|
500
|
○
|
○
|
○
|
○
|
630
|
3
|
650
|
○
|
○
|
○
|
|||||||||
|
650
|
○
|
○
|
○
|
○
|
800
|
○
|
○
|
○
|
|||||||||||||
|
2.2
|
500
|
○
|
○
|
○
|
○
|
○
|
○
|
1000
|
○
|
○
|
○
|
||||||||||
|
650
|
○
|
○
|
○
|
○
|
○
|
○
|
1200
|
○
|
○
|
○
|
|||||||||||
|
3
|
500
|
○
|
○
|
○
|
○
|
○
|
4
|
650
|
○
|
○
|
○
|
||||||||||
|
650
|
○
|
○
|
○
|
○
|
○
|
800
|
○
|
○
|
○
|
||||||||||||
|
4
|
500
|
○
|
○
|
○
|
○
|
○
|
1000
|
○
|
○
|
○
|
|||||||||||
|
650
|
○
|
○
|
○
|
○
|
○
|
1200
|
○
|
○
|
○
|
||||||||||||
|
400
|
2.2
|
500
|
○
|
○
|
○
|
○
|
○
|
○
|
5.5
|
650
|
○
|
○
|
○
|
○
|
○
|
||||||
|
650
|
○
|
○
|
○
|
○
|
○
|
○
|
800
|
○
|
○
|
○
|
○
|
○
|
|||||||||
|
3
|
500
|
○
|
○
|
○
|
○
|
○
|
○
|
1000
|
○
|
○
|
○
|
○
|
○
|
||||||||
|
650
|
○
|
○
|
○
|
○
|
○
|
○
|
1200
|
○
|
○
|
○
|
○
|
○
|
|||||||||
|
4
|
500
|
○
|
○
|
○
|
○
|
○
|
○
|
7.5
|
650
|
○
|
○
|
○
|
○
|
○
|
|||||||
|
650
|
○
|
○
|
○
|
○
|
○
|
○
|
800
|
○
|
○
|
○
|
○
|
○
|
|||||||||
|
5.5
|
500
|
○
|
○
|
○
|
○
|
○
|
○
|
1000
|
○
|
○
|
○
|
○
|
○
|
||||||||
|
650
|
○
|
○
|
○
|
○
|
○
|
○
|
1200
|
○
|
○
|
○
|
○
|
○
|
|||||||||
|
500
|
1.5
|
500
|
○
|
○
|
○
|
○
|
11
|
650
|
○
|
○
|
○
|
○
|
○
|
○
|
|||||||
|
650
|
○
|
○
|
○
|
○
|
800
|
○
|
○
|
○
|
○
|
○
|
○
|
||||||||||
|
800
|
○
|
○
|
○
|
○
|
1000
|
○
|
○
|
○
|
○
|
○
|
○
|
||||||||||
|
2.2
|
500
|
○
|
○
|
○
|
○
|
○
|
1200
|
○
|
○
|
○
|
○
|
○
|
|||||||||
|
650
|
○
|
○
|
○
|
○
|
○
|
15
|
800
|
○
|
○
|
○
|
○
|
○
|
○
|
||||||||
|
800
|
○
|
○
|
○
|
○
|
○
|
1000
|
○
|
○
|
○
|
○
|
○
|
○
|
|||||||||
|
3
|
500
|
○
|
○
|
○
|
○
|
○
|
1200
|
○
|
○
|
○
|
○
|
○
|
○
|
||||||||
|
650
|
○
|
○
|
○
|
○
|
○
|
○
|
800 |
5.5
|
1000
|
○
|
○
|
||||||||||
|
800
|
○
|
○
|
○
|
○
|
○
|
○
|
1200
|
○
|
○
|
||||||||||||
|
4
|
500
|
○
|
○
|
○
|
○
|
○
|
○
|
1400
|
○
|
○
|
|||||||||||
|
650
|
○
|
○
|
○
|
○
|
○
|
○
|
7.5
|
1000
|
○
|
○
|
|||||||||||
|
800
|
○
|
○
|
○
|
○
|
○
|
○
|
1200
|
○
|
○
|
||||||||||||
|
5.5
|
500
|
○
|
○
|
○
|
○
|
○
|
○
|
1400
|
○
|
○
|
|||||||||||
|
650
|
○
|
○
|
○
|
○
|
○
|
○
|
11
|
1000
|
○
|
○
|
○
|
||||||||||
|
800
|
○
|
○
|
○
|
○
|
○
|
○
|
1200
|
○
|
○
|
○
|
|||||||||||
|
7.5
|
500
|
○
|
○
|
○
|
○
|
○
|
○
|
1400
|
○
|
○
|
○
|
||||||||||
|
650
|
○
|
○
|
○
|
○
|
○
|
○
|
○
|
15
|
1000
|
○
|
○
|
||||||||||
|
800
|
○
|
○
|
○
|
○
|
○
|
○
|
○
|
1200
|
○
|
○
|
|||||||||||
|
11
|
650
|
○
|
○
|
○
|
○
|
1400
|
○
|
○
|
|||||||||||||
|
800
|
○
|
○
|
○
|
○
|
|||||||||||||||||
|
15
|
800
|
○
|
○
|
○
|
○
|
||||||||||||||||
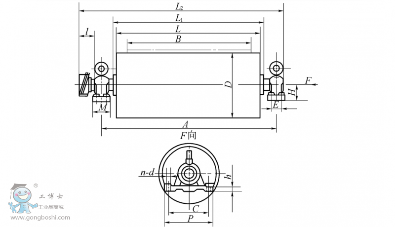
|
D
|
B
|
A
|
L
|
L1
|
I
|
H
|
K
|
M
|
N
|
P
|
Q
|
h
|
|
320
|
500
|
850
|
600
|
940
|
95
|
120
|
105
|
90
|
-
|
340
|
280
|
35
|
|
650
|
1000
|
750
|
1090
|
120
|
90
|
-
|
340
|
280
|
35
|
|||
|
400
|
500
|
850
|
600
|
940
|
95
|
120
|
125
|
90
|
-
|
340
|
280
|
35
|
|
650
|
1000
|
750
|
1090
|
120
|
90
|
-
|
340
|
280
|
35
|
|||
|
500
|
500
|
850
|
600
|
960
|
115
|
100
|
145
|
70
|
-
|
340
|
280
|
35
|
|
620
|
||||||||||||
|
650
|
1000
|
750
|
1120
|
120
|
90
|
-
|
340
|
280
|
35
|
|||
|
800
|
1300
|
95
|
1420
|
120
|
90
|
-
|
340
|
280
|
35
|
|||
|
630
|
650
|
1000
|
750
|
1120
|
115
|
120
|
175
|
90
|
-
|
340
|
280
|
35
|
|
800
|
1300
|
950
|
1430
|
140
|
130
|
80
|
400
|
330
|
35
|
|||
|
1000
|
1500
|
1150
|
130
|
140
|
130
|
80
|
400
|
330
|
35
|
|||
|
1200
|
1750
|
1400
|
1900
|
160
|
180
|
160
|
90
|
440
|
360
|
50
|
||
|
800
|
1000
|
1500
|
1150
|
1630
|
115
|
140
|
175
|
130
|
80
|
400
|
330
|
35
|
|
1200
|
1750
|
1400
|
1900
|
160
|
180
|
160
|
90
|
440
|
360
|
50
|
||
|
1400
|
2000
|
1600
|
2150
|
160
|
160
|
160
|
90
|
440
|
360
|
50
|
品類齊全
省心省力,一站購齊
一對一客服
選型詢價,快速響應
貨期保障
多倉直發,貨期無憂
正品貨源
正品保障,誠信服務




