
法國施耐德SCHNEIDER
施耐德變頻器、框架斷路器、塑殼斷路器、微型斷路器、光電開關、接近開關、雙電源、限位開關、PLC本體、交流接觸器、旋轉編碼器、伺服驅動器、傳感器、行程開關、功率模塊、溫控器等。
施耐德電氣集團的前身為Schneider&Cie,成立于1838年,于1999年5月,正式更名為施耐德電氣集團。施耐德是全球著名品牌,施耐德電氣集團是世界公認的“能效管理專家”。施耐德電氣集團已為100多個國家的能源及基礎設施、工業、數據中心及網絡、樓宇和住宅市場提供整體解決方案, 其中在能源與基礎設施、工業過程控制、樓宇自動化和數據中心與網絡等市場處于世界領先地位,在住宅應用領域也擁有強大的市場能力。致力于為客戶提供安全、可靠、高效的能源。
施耐德電氣2008年的銷售額為183億歐元,擁有114,000名員工。 施耐德電氣助您――善用其效,盡享其能!
施耐德ATV11系列主要應用于三相異步電機變頻器,功率范圍為0.18至2.2 kW。
施耐德變頻器ATV11系列性能描述
1、通過磁通矢量控制進行速度調節;
2、速度范圍為1至20;
3、變頻器與電機保護;
4、堅固耐用,即使在-10至+50℃的惡劣環境下;
5、通過使用系緊螺釘進行布線和連接:易于更換機電解決方案; 6、結構緊湊,可以并排安裝;
7、能夠使用DIN軌道安裝;
8、集成B類EMC濾波器或可作為一個選件;
9、變頻器具有極低的泄漏電流,與30 mA差分斷路器兼容,以確保人員安全;
10、可使用基板安裝版本;
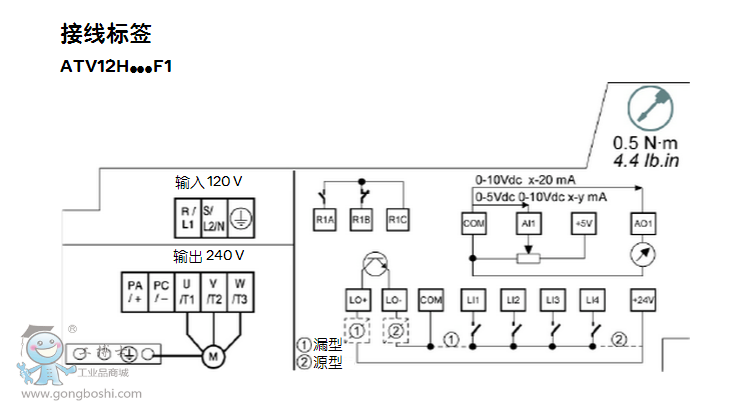
施耐德ATV12系列主要應用于三相異步電機變頻器,功率范圍為0.18至4.0 kW。
施耐德變頻器ATV12性能描述
1、控制方式:電壓/頻率比、無傳感器磁通矢量控制、節能比;
2、集成C1等級 EMC濾波器;
3、標準Modbus通信;
4、無需設置,快速起動;
5、在包裝內無需上電即可進行參數設置;
6、*寬工作溫度范圍: -10℃ ~ +50 ℃不降容,*高可達+60 ℃; 7、超強制動能力: 無需制動電阻即可達到70%電機額定轉矩;
8全部涂層,適應各種惡劣環境;
9、質量過硬,組件按照10年使用壽命設計;
施耐德變頻器ATV21系列可變轉矩型變頻器主要應用于建筑物暖通空調的三相異步電機(功率范圍為0.75至75 kW)變頻器。
施耐德變頻器ATV21系列性能描述
1、UL類型1/IP20與IP54,功率*高達75 kW;
2、速度范圍:1:50;
3、過載:110 % - 60 s;
4、集成A類或B類EMC濾波器;
5、建筑市場使用的主要通信總線: LonWorks,Metasys N2,BACnet與 Apologe FLN;
6、符合國際標準與認證:CE,UL,CSA, C-Tick;
7、“降容”技術:即刻運行且無有害影響,諧波處理無需額外技巧:THDI < 30%;
8、斜坡與電機控制電源的自適應可以優化能耗;
9、其遠程終端使其功能得到增強:功能的設置,配置和參數的下載與保存;
10、結構緊湊,可以并排安裝;
11、電機與變頻器保護;
12、經濟型設計;
施耐德變頻器ATV31是用于三相鼠籠式異步電機的變頻器。ATV31可靠性高,結構緊湊,便于使用,并且符合EN 50178, IEC/EN 61800-2, IEC/EN 61800-3標準,擁有UL/CSA認證和e標志。ATV31變頻器以Modbus和CANopen工業總線進行通訊。這些協議作為標準集成在變頻器中.ATV31變頻器配備有用于正常環境和通風機箱的散熱器。多個單元可并排安裝在3上以節省空間。
變頻器可用于額定值從0.18 kW到15 kW的電機,有4種類型的電源:
200 V到240 V單相,0.18 kW到2.2 kW
200 V到240 V三相,0.18 kW到15 kW
380 V到500 V三相,0.37 kW到15 kW
525 V到600 V三相,0.75 kW到15 kW
ATV31變頻器可提供2種不同的人機界面:
1 ATV31Hpppp使用顯示屏和菜單導航鍵。
2 ATV31HppppA使用顯示屏、菜單導航鍵和本機控制(運行/停機和由電位計設置的速度給定)。
電磁兼容性EMC
ATV31HppM2和ATV31HppN4變頻器中內置A級EMC濾波器(傳導和輻射式)簡化了設備的安裝,并提供了滿足e標準要求的經濟方式。
ATV 31HppM3X和ATV 31HppS6X變頻器供貨時不帶EMC濾波器。如果必須要求符合EMC標準,濾波器可以作為選件提供給用戶裝配。
功能
ATV31變頻器有6個邏輯輸入端、3個模擬輸入端、1個邏輯/模擬輸出端和2個繼電器輸出端。
變頻器中集成的主功能如下:
電機和變頻器保護
線性、S, U和用戶自定義的加速/減速斜坡
+ / -速度
16個預制速度
比例積分(PI)調節器
2線/ 3線控制
制動順序
使用速度檢測自動獲取旋轉負載和自動重起動
故障配置和停機類型配置
將配置保存在變頻器中
若干項功能可被指定到一個邏輯輸入端上
可內置擺頻。
施耐德變頻器ATV61系列 施耐德Schneider優勢簡易精致!
· 對于主要的建筑和工業通信網絡開放
· 設計精巧,可根據您的需求進行定制
應用范圍
· 該系列專用于工業市場和建筑市場的泵類和風機應用:性能優越,功能先進
· 高性能可變轉矩應用:
> 風機:帶有強制功能的安全性(故障禁止,選擇行進方向和參考速度)
> 多泵:通過使用可編程多泵卡, Altivar 61可在管理多個泵時具有靈活性、用戶友好性和適應性
> 泵類:對于裝置欠載保護、過載保護和流體缺失檢測保護所需的必要功能
性能描述
3相異步電機(功率范圍為0.75至800 kW)變頻器,用于可變轉矩應用系列說明
3相 200/240 V - 380/480 V - 500/690 V
· UL類型1/IP20,從0.75至800 kW
· UL類型12/IP54,從0.75至800 kW
· 速度范圍:在開環模式下為1:100
· 過載:110% ...120% - 60 s
· 圖形終端:純文本,導航按鈕,可以立即起動的“簡單起動”菜單,能夠馬上從ATV61的所有性能中獲益
· 集成A類或B類EMC濾波器
· 節能法,二次電機控制法
· 符合國際標準和認證:CE,UL,CSA,C-Tick
· 集成Modbus與CANopen
· 用于工業的通信卡:Ethernet,FIPIO,Modus Plus,DeviceNet, Interbus-S,Unitelway;用于建筑的通信卡:LonWorks,BACnet,METASYS N2與Apogee FLN
· 輸入/輸出擴展卡
· 可編程多泵卡:ATV38兼容性與新的應用軟件
· PowerSuite軟件: 配置、設置以及從應用軟件中保存參數
· 經濟型設計
· 有150多個功能可供使用
· 保護電機與變頻器
· 安全功能:“斷電”,ATEX
施耐德變頻器ATV71系列優勢簡易精致!
· *高可達630 kW的唯一系列,性能優越,功能先進...
· 對于所有通信網絡、應用軟件、用戶…開放
· ATV 71能夠為您的所有特定需求提供設計精巧的解決方案
應用范圍
· 高性能應用(恒轉矩):
> 物料搬運
> 起重
> 木材加工機械
> 加工機械
> 紡織機械
> 包裝
性能描述
3相同步電機與3相異步電機變頻器,電機功率范圍為0.37至630 kW
系列說明
200...240 V單相
200...240 V/380...690 V 3相, 50/60 Hz
· 通過帶或不帶傳感器的磁通矢量控制進行速度調節
· 速度范圍:在帶有速度反饋的閉環模式下為1至1000,在開環模式下為1至100
· 圖形終端:純文本,導航按鈕,可配置的功能鍵,“簡單起動”菜單...
· 保護電機與變頻器
· “斷電”安全功能,ATEX安全功能
· 超過150種功能可供使用:PID調節器,適用于移動、提升與快速定向運動的制動器控制...
· 集成A類EMC濾波器
· 集成Modbus與CANopen
· 輸入/輸出擴展卡,編碼器接口卡
· 通信卡:Fipio,Ethernet,Modbus Plus,Profibus DP,DeviceNet, Uni-Telway,INTERBUS
· 內置控制器可編程卡