產品型號: 16HM(39BYGHM 0.9°
步距角精度---------------------------------±5%
溫升----------------------------80℃ Max.
周圍溫度范圍---------- -20℃~+50℃
絕緣電阻-----------100MΩ Min.50V DC
絕緣強度-----------------500V AC 1minute
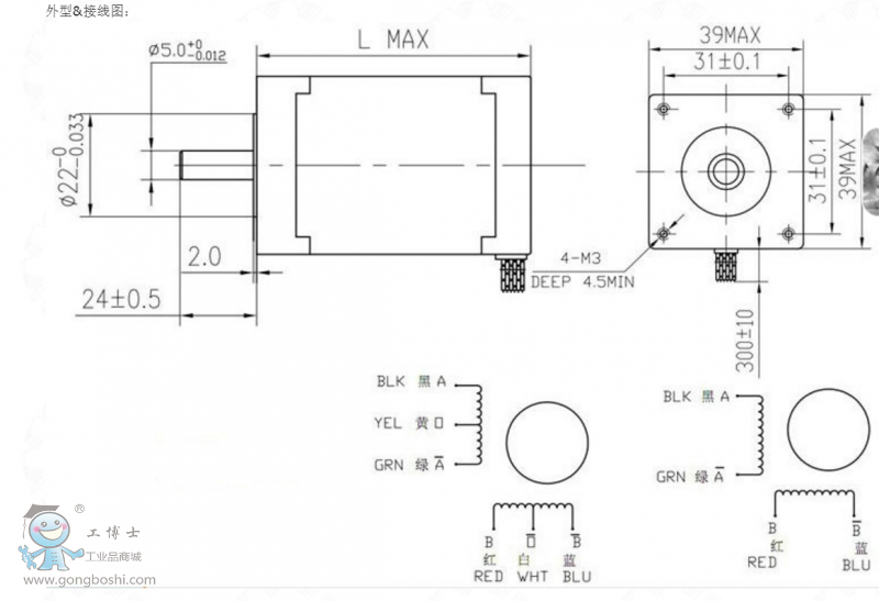
| 型號 |
機身長 |
16HM0XXX
16HM2XXX
16HM3XXX
16HM4XXX |
20mm
26mm
33mm
40mm |

