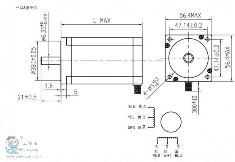
產品型號:23HY(57BYG 1.8°)
步距角精度---------------------------------±5%
溫升----------------------------80℃ Max.
周圍溫度范圍---------- -20℃~+50℃
絕緣電阻-----------100MΩ Min.50V DC
絕緣強度-----------------500V AC 1minute
| 型號 |
機身長 |
23HY4XXX
23HY5XXX
23HY6XXX
23HY7XXX |
41mm
51mm
56mm
76mm
|

