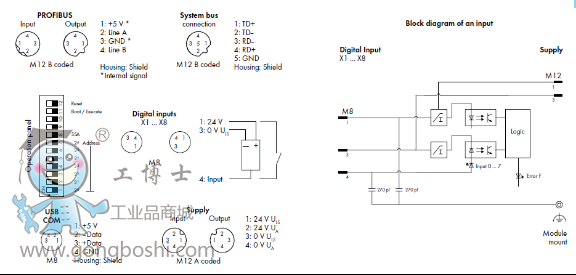
包括8個數字量輸入端 (8 x M8)

簡要描述:
PROFIBUS DP是獨立于廠商的、來自PROFIBUS & PROFINET International (PI)
組織開放的現場總線標準。除覆蓋了整個來自同步運動控制驅動技術
的需要之外,該標準為工廠/過程自動化和安全應用提供解決方案。
現場總線適配器將WAGO SPEEDWAY 767 I/O模塊連接到PROFIBUS DP
總線。該總線適配器通過DP主站,依靠站模塊結構和配置數據生成所
有輸入和輸出信號的過程映像。另外,如果需要,利用設備描述(GSD
文件)及通過DP主站轉換,總線適配器可提供所連接I/O模塊的參數數
據。在DP-V0操作模式中,該設備提供設備、辨認和通道相關診斷,以
及模塊狀態。在DP-V1操作模式中,提供狀態信息和可選診斷報警,而
不是基于識別和通道的診斷。
特性:
- 包括8通道數字量輸入24 V DC
- 模塊化結構,*多可擴展63個I/O模塊(通過系統總線連接)
- 用于維護的USB接口
- GSD或FDT/DTM(包括診斷和仿真)參數化
- 封裝的操作面板(操作模式和地址開關)
包括:
• WMB模塊標記卡,黃色(1個)
• 通道標記條(1條)
• M8防護帽(2個)



在線客服
企業微信













