RS020N概述:
負載 20 kg
水平伸展距離 1,725 mm
垂直伸展距離 3,078 mm
重復性 ±0.04 mm
*大速度11,500 mm/s


RS020N的規格
| RS020N 的規格 |
| 自由度 |
6 軸 |
| 負載 |
20 kg |
| 水平伸展距離 |
1,725 mm |
| 重復性1 |
±0.04 mm |
工作范圍
(度)
&
*大速度
(度/秒) |
軸 |
運動范圍 |
*大速度 |
| JT1 |
±180° |
190°/s |
| JT2 |
+155° ~ -105° |
205°/s |
| JT3 |
+150° ~ -163° |
210°/s |
| JT4 |
±270° |
400°/s |
| JT5 |
±145° |
360°/s |
| JT6 |
±360° |
610°/s |
| 手腕承載能力 |
軸 |
*大力矩 |
慣性力矩 |
| JT4 |
45 N•m |
0.9 kg•m2 |
| JT5 |
45 N•m |
0.9 kg•m2 |
| JT6 |
29 N•m |
0.3 kg•m2 |
| 質量 |
230 kg (不包括選配設備) |
| 機身顏色 |
川崎標準色 |
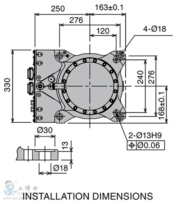
| 安裝 |
地面, 懸掛 |
| 保護等級 |
手腕: IP67 基座: IP65 *同等 |