高速、高性能的行業機器人
速度更快!動作范圍更廣!更精確!更緊湊!
基于技術和經驗而不斷充實進化的R系列。
潔凈度ISO class5,充分適用于潔凈室內的搬運!
RC005L概述:
負載 5 kg
水平伸展距離 903 mm
垂直伸展距離 1,484 mm
重復性 ±0.03 mm
*大速度9,300 mm/s


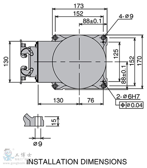
RC005L的規格
| RC005L的規格 |
| 自由度 |
6 軸 |
| 負載 |
5 kg |
| 水平伸展距離 |
903 mm |
| 重復性1 |
±0.03 mm |
工作范圍
(度)
&
*大速度
(度/秒) |
軸 |
運動范圍 |
*大速度 |
| JT1 |
±165° |
300°/s |
| JT2 |
+135° ~ -80° |
300°/s |
| JT3 |
+118° ~ -172° |
300°/s |
| JT4 |
±360° |
460°/s |
| JT5 |
±145° |
460°/s |
| JT6 |
±360° |
740°/s |
| 手腕承載能力 |
軸 |
*大力矩 |
慣性力矩 |
| JT4 |
12.3 N•m |
0.4 kg•m2 |
| JT5 |
12.3 N•m |
0.4 kg•m2 |
| JT6 |
7.0 N•m |
0.12 kg•m2 |
| 質量 |
37 kg (不包括選配設備) |
| 機身顏色 |
川崎標準色, 環氧漆 |
| 安裝 |
地面, 壁掛, 懸掛 |
| 保護等級 |
手腕: IP67 基座: IP65 *同等 |
| |
|
|
| 控制柜 |
型號 面向北美 |
E77 |
| 型號 面向歐洲 |
E71 |
| 型號 面向日本 & 亞洲 |
E74 |