
一、產品簡述
1. 與傳統無源濾波器相比,DHF系列產品體積更小,諧波抑制能力更強。
2. 當連接在變頻器前端,經諧波濾波器濾波后總諧波電流小于滿負載時基波電流的10%。
3.效率大于98%,功率可到250KW,無源諧波濾波器提供了具有高性價比和穩定
可靠的諧波解決方案。
4.作為獨立選項,易于安裝到現有機柜內。
5. 該系列濾波器與品牌變頻器做過精心匹配,適合多種電機控制方式,確保系統穩定工作,不會對電網產生任何不良影響。
6. 使用過溫保護,以防過溫造成濾波器損壞。
7. 在低負載應用下,可選配(接觸器)斷開電容器連接。
二、技術參數
1. 額定工作電壓:AC380V~480V
2. 頻率:50Hz
3. 過載能力:1.6倍,60s
4. 絕級等級:過壓類別III符合EN61800-5-1
5. 滿載效率:大于98%
6.冷卻方式:AN
7.諧波濾波效果:滿載條件下,濾波器輸入端的總諧波
電流畸變率THID﹤10%(背景電壓THUD﹤2%,電網短
路功率與安裝負載比﹥66)
8.環境溫度(工作):滿載條件下,-25℃~+50℃
9.存儲溫度:-25℃~65℃
10.工作海拔高度:海拔0~2000米
11.相對濕度:0~95%無凝露
12.空載電流:小于額定電流的25%
13.產品執行標準:IEEE519 GB/T 14549-1993
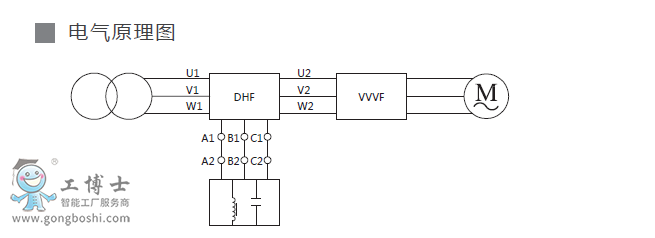
三、電氣原理圖
四、380V諧波濾波器選型表
|
規格型號 |
功率 (KW) |
電流 (A) |
參數 |
規格型號 |
|
DHF-0004-A010 |
1.1 |
3.3 |
THDI<=10% |
DHF-0004-A010 |
|
DHF-0004-A010 |
1.5 |
4.1 |
THDI<=10% |
DHF-0004-A010 |
|
DHF-0007-A010 |
2.2 |
5.0 |
THDI<=10% |
DHF-0007-A010 |
|
DHF-0007-A010 |
3.0 |
7.2 |
THDI<=10% |
DHF-0007-A010 |
|
DHF-0012-A010 |
4.0 |
9.4 |
THDI<=10% |
DHF-0012-A010 |
|
DHF-0012-A010 |
5.5 |
11.9 |
THDI<=10% |
DHF-0012-A010 |
|
DHF-0015-A010 |
7.5 |
17.0 |
THDI<=10% |
DHF-0015-A010 |
|
DHF-0030-A010 |
11.0 |
25.0 |
THDI<=10% |
DHF-0030-A010 |
|
DHF-0030-A010 |
15.0 |
31.0 |
THDI<=10% |
DHF-0030-A010 |
|
DHF-0045-A010 |
18.5 |
38.0 |
THDI<=10% |
DHF-0045-A010 |
|
DHF-0045-A010 |
22.0 |
46.0 |
THDI<=10% |
DHF-0045-A010 |
|
DHF-0075-A010 |
30.0 |
60.0 |
THDI<=10% |
DHF-0075-A010 |
|
DHF-0075-A010 |
37.0 |
72.0 |
THDI<=10% |
DHF-0075-A010 |
|
DHF-0090-A010 |
45.0 |
88.0 |
THDI<=10% |
DHF-0090-A010 |
|
DHF-0160-A010 |
55.0 |
125.0 |
THDI<=10% |
DHF-0160-A010 |
|
DHF-0160-A010 |
75.0 |
157.0 |
THDI<=10% |
DHF-0160-A010 |
|
DHF-0205-A010 |
90.0 |
180.0 |
THDI<=10% |
DHF-0205-A010 |
|
DHF-0205-A010 |
110.0 |
205.0 |
THDI<=10% |
DHF-0205-A010 |
|
DHF-0290-A010 |
132.0 |
245.0 |
THDI<=10% |
DHF-0290-A010 |
|
DHF-0290-A010 |
160.0 |
290.0 |
THDI<=10% |
DHF-0290-A010 |
|
DHF-0430-A010 |
200.0 |
430.0 |
THDI<=10% |
DHF-0430-A010 |
|
DHF-0430-A010 |
250.0 |
430.0 |
THDI<=10% |
DHF-0430-A010 |
五、產品尺寸圖
六、使用注意事項
1.DHF諧波濾波器是變頻器配套的濾波器,只可安裝在不可控整流變頻器的電源進線處;
2.選用時,濾波器的功率與變頻器的功率盡量匹配使用,這時可以獲得*佳的濾波效果,不匹配時,若功率較大的濾波器用于功率較小的變頻器,濾波效果會降低;
3.濾波器中的電抗器是發熱設備,安裝時注意保持濾波器周圍至少有100mm的空間;
4.安裝時,按照電路圖的接線指示,連接可靠的地線.
5.當海拔、電網質量等使用環境超出技術要求時請咨詢廠家
聯系人:周凱 電話18516075689
品類齊全
省心省力,一站購齊
一對一客服
選型詢價,快速響應
貨期保障
多倉直發,貨期無憂
正品貨源
正品保障,誠信服務




