KR 6 R700 CR(凈室款)
KR AGILUS 具有應用廣泛的優點,可用于新型的使用范圍。無論是地面、天花板或墻壁,由于使用內置的拖鏈系統和可靠的 KR C4 compact 控制系統,因此它可以在狹小空間內實現較高的精度。
KR AGILUS CR 適用于凈室并且滿足凈室等級 ISO2 的要求。因此,KR AGILUS CR 可以出色地集成到對潔凈度有很高要求的狹小空間和復雜應用中。
主要參數
軸數: 6
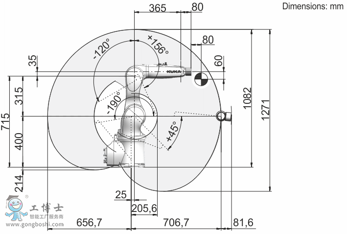
運動范圍: 706.7 mm
負載能力: 6 kg
位姿重復精度( ISO 9283): ± 0.03 mm
機器人重量: 50 kg
安裝位置: 地面; 屋頂; 墻壁;
任意角度
防護等級(IEC 60529): IP54
機器人腕部防護等級(IEC 60529): IP54
主要應用: 涂抹粘結劑、密封劑或類似材料、安裝、置放和裝配、固定和壓裝、操作機床、測量、檢測和檢驗、包裝及揀配、堆垛、操作塑料加工設備、操作金屬壓鑄機
優點

技術參數

工作空間圖