| |
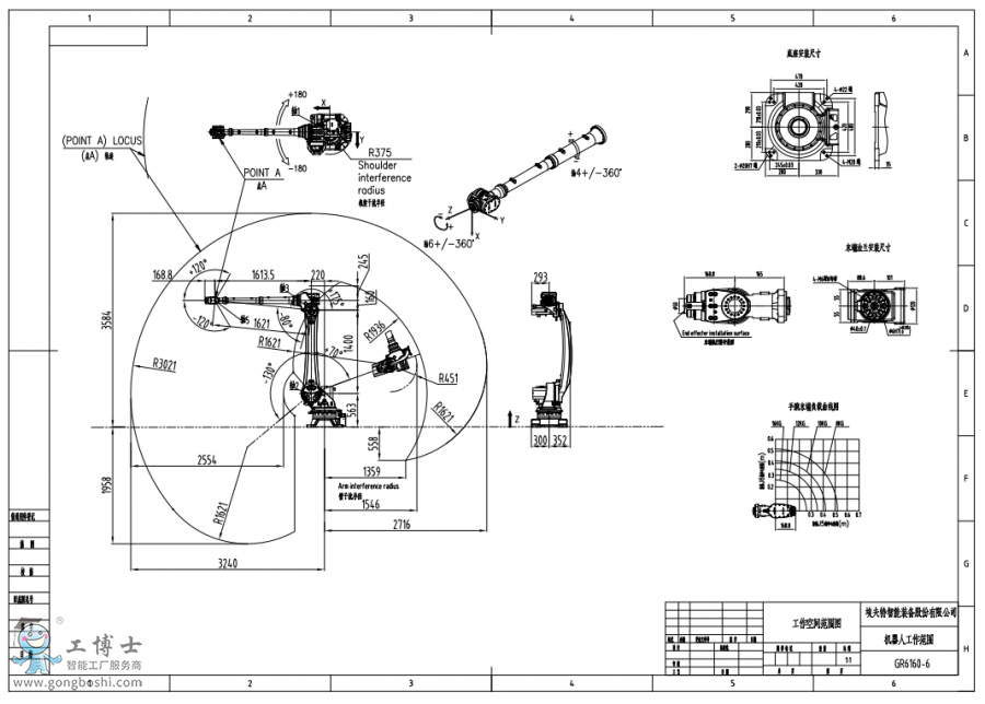
埃夫特機器人GR6160 負載 16kg 工作區域 3240mm |
 點擊圖片查看原圖
|
|
| 品牌: |
埃夫特 |
| 臂展: |
3240mm |
| 負載: |
16KG |
| 重復定位精度: |
±0.15 |
| 單價: |
面議 |
| 所在地: |
上海 |
| 有效期至: |
長期有效 |
| 最后更新: |
2023-10-12 17:07 |
| 瀏覽次數: |
434 |
 |
|
|
|
- Efort|埃夫特機器人服務
-
[VIP第4年] 指數:1
-
聯系人趙工(女士) 銷售工程師
- 會員 [當前離線] [加為商友] [發送信件]
- 郵件service@gongboshi.com
- 電話15002112015
- 手機15002112015
- 地址上海市寶山區富聯一路98弄6號
-
|
|