Racer-7-1.0
一般工業機器人新典范外形出眾的***機器人,并擁有***的運動速度和流暢性,Racer系列機器人提供***佳效率和卓越技術的新設計。
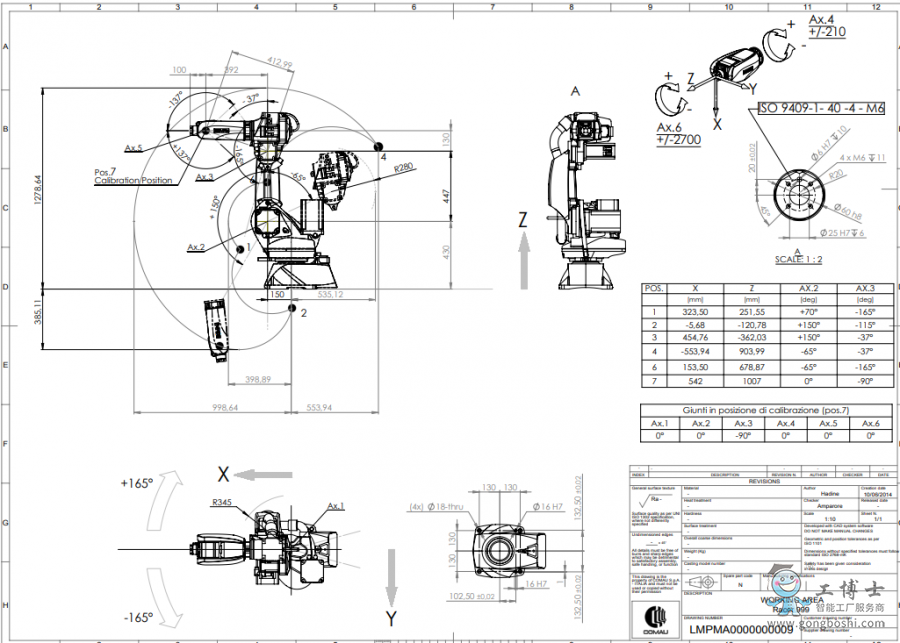
技術規格 Racer-7-1.0
軸數6
***大負載(公斤)7
前臂附加負載(公斤)10
***大工作半徑(毫米)999
第4軸的扭矩(Nm)13
第5軸的扭矩(Nm)13
第6軸的扭矩(Nm)7.5
第1軸行程+/- 165° (250 °/s)
第2軸行程-65°/ +150° (250 °/s)
第3軸行程-165°/ -37° (300 °/s)
第4軸行程+/- 210° (550 °/s)
第5軸行程+/- 137° (550° /s)
第6軸行程+/- 2700° (600° /s)
重復精度(毫米)0.05
工具連接法蘭ISO 9409 – 1 – A – 40
機器人重量(公斤)173
防護等級IP65
裝機方式Floor / Ceiling / Sloping / Wall
工作范圍A(毫米)1279
工作范圍B(毫米)999
工作范圍C(毫米)904
工作范圍D(毫米)554
工作范圍E(毫米)385

更多資訊,柯馬機器人