NS-12-1.85
創新的杰作,卓越的性能為您提供***服務定制化應用設計,無論精度或者速度都是毋庸置疑的,NS系列機器人廣泛適用于裝配、搬運、機加工和弧焊等應用。
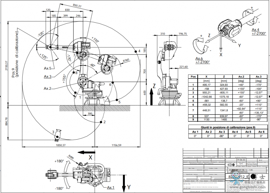
技術規格 NS-12-1.85
軸數6
***大負載(公斤)7
前臂附加負載(公斤)10
***大工作半徑(毫米)1850
第4軸的扭矩(Nm)39
第5軸的扭矩(Nm)39
第6軸的扭矩(Nm)20
第1軸行程+/- 180° (155 °/s)
第2軸行程-60°/ +155° (155 °/s)
第3軸行程-170°/ +110° (170 °/s)
第4軸行程+/- 2700° (360 °/s)
第5軸行程+/- 120° (350° /s)
第6軸行程+/- 2700° (550° /s)
重復精度(毫米)0.05
工具連接法蘭ISO 9409 – 1 – A63
機器人重量(公斤)335
防護等級IP65 / IP67
裝機方式Floor / Ceiling / Sloping (45° max)
工作范圍A(毫米)2150
工作范圍B(毫米)1850
工作范圍C(毫米)950
工作范圍D(毫米)1157
工作范圍E(毫米)885

更多資訊,柯馬機器人