具有可靠的性能
我們有能力解決您的任何自動化問題,同時確保節能、低成本并提高生產效率。
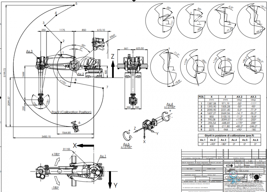
技術規格 NJ-165-3.4 SH
軸數6
負載(公斤)165
前臂附加負載(公斤)25
***大工作半徑(毫米)3450
第4軸的扭矩(Nm)1089
第5軸的扭矩(Nm)804
第6軸的扭矩(Nm)411
第1軸行程+/- 180° (85°/s)
第2軸行程-50° / +170° (90°/s)
第3軸行程-18,8° / -288° (110°/s)
第4軸行程+/- 2700° (130°/s)
第5軸行程+/- 125° (130°/s)
第6軸行程+/- 2700° (195°/s)
重復精度(毫米)0.10
工具連接法蘭ISO 9409 – 1 – A 160 / 200
機器人重量(公斤)1430
防護等級IP65
裝機方式Shelf
工作范圍A(毫米)3100
工作范圍B(毫米)3450
工作范圍C(毫米)397
工作范圍D(毫米)2100
工作范圍E(毫米)850

機器人應用于
- 裝配
- 機床上下料
- 涂膠
- 日化密封
- 搬運/包裝
- 測量/測試
- 拋光/去毛刺
- 等離子切割/水切割
- 折彎
- 加工處理
- 木制品/玻璃加工
- 激光焊接與切割
- 沖壓連線
- 點焊