PSR-CE 系列經濟款菲尼克斯繼電器
l PSR-CE1 適用于急停、行程開關、安全門鎖、拉繩開關等“常閉觸點型傳感器”監控
l PSR-CE2 適用于安全光幕、激光掃描儀、非接觸式感應開關(OSSD)等“24V DC有源信號輸出傳感器”監控
l PSR-CE3 適用于上述所有傳感器
l PSR-CE2、PSR-CE3 具有帶監控的手動復位功能
l ***高符合 Cat. 4,PL e(EN ISO 13849-1)、SIL 3(EN 61508)、SILCL 3(EN 62061)
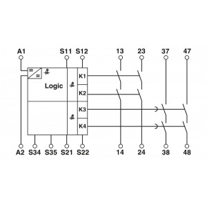
l 輸出為3個常開觸點、1個常閉觸點 ,模塊寬度22.5mm,可插拔式螺釘端子


菲尼克斯繼電器,用于急停和安全門監控,安全等級達SIL 3或EN ISO 13849標準的Cat. 4、PL e,自動或手動激活,2個常開觸點帶0.1 s至30 s的關斷延遲,插拔式螺釘接線端子

一、產品屬性
|
產品類型
|
安全繼電器
|
|
應用
|
急停按鈕
|
|
安全門
|
|
光柵
|
|
機械壽命
|
約 107 開關次數
|
|
繼電器型號
|
帶機械聯鎖觸點的機電式繼電器,符合IEC/EN 61810-3標準
|
二、電氣特性
|
額定條件下的***大功耗
|
1.8W
|
|
額定操作模式
|
100%符合條件
|
|
額定絕緣電壓
|
250 V
|
|
額定過電壓/絕緣
|
4 kV/隔離耐壓
|
三、特性
|
安全數據
|
|
停止類別
|
0
|
|
1
|
|
安全數據: EN ISO 13849
|
|
|
分類
|
4
|
|
性能等級(PL)
|
e
|
|
安全完整性水平(SIL)
|
3
|
|
SFF單通道
|
99.98 %
|
|
SFF雙通道
|
97.62 %
|
|
平均危險故障時間 (MTTFD)
|
63311 年數
|
|
每小時危險故障可能性(PFHD)
|
1.80 x 10-9
|
|
診斷范圍(DC)
|
99 %
|
|
認證測試周期
|
240 月
|
|
使用周期
|
240 月
|
五、尺寸
|
寬度
|
22.5 mm
|
|
高度
|
99 mm
|
|
深度
|
114.5 mm
|
專業銷售菲尼克斯交換機 、菲尼克斯繼電器、菲尼克斯浪涌保護器等。歡迎來電咨詢!