PSR-CE 系列經濟款菲尼克斯繼電器
l PSR-CE1 適用于急停、行程開關、安全門鎖、拉繩開關等“常閉觸點型傳感器”監控
l PSR-CE2 適用于安全光幕、激光掃描儀、非接觸式感應開關(OSSD)等“24V DC有源信號輸出傳感器”監控
l PSR-CE3 適用于上述所有傳感器
l PSR-CE2、PSR-CE3 具有帶監控的手動復位功能
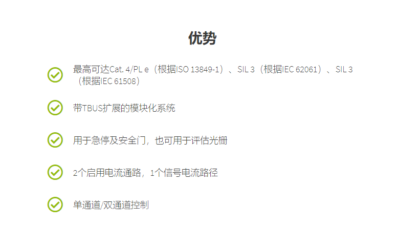
l ***高符合 Cat. 4,PL e(EN ISO 13849-1)、SIL 3(EN 61508)、SILCL 3(EN 62061)
l 輸出為3個常開觸點、1個常閉觸點
l 模塊寬度22.5mm,可插拔式螺釘端子


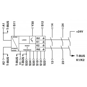
菲尼克斯繼電器,適用于急停、安全門和磁性開關以及光柵,***高可達SIL 3、Cat. 4、PL e安全等級,符合EN ISO 13849標準,2個常開觸點,帶TBUS接口,自動或手動激活,可插拔的直插式接線端子

一、產品屬性
|
產品類型
|
安全繼電器
|
|
應用
|
急停按鈕
|
|
安全門
|
|
光柵
|
|
電磁開關
|
|
機械壽命
|
約 107 開關次數
|
|
繼電器型號
|
帶機械聯鎖觸點的機電式繼電器,符合IEC/EN 61810-3標準
|
二、電氣特性
|
額定條件下的***大功耗
|
1.68 W
|
|
額定操作模式
|
100 %符合條件
|
|
額定絕緣電壓
|
250 V
|
|
額定過電壓/絕緣
|
4kV/基礎安全隔離(輸入回路和常開安全觸點輸出之間6kV增強型安全隔離。)
|
三、特性
|
安全數據
|
|
停止類別
|
0
|
|
安全數據: EN ISO 13849
|
|
分類
|
4 (無延時觸點)
|
|
性能等級(PL)
|
e
|
|
安全數據: IEC 61508 - 高要求
|
|
名稱
|
上述詳情基于以下計算基礎得出:
Dop:365.25天(假設)
hop:24小時(假設)
tcycle: 3600秒(假設)
AC-15B10d,6A:300000(制造商規定值)
該數據僅適用于每年至少需要啟用一次安全功能的場合。 僅適用于報警觸點位置不變的場合!
|
|
安全完整性水平(SIL)
|
3
|
|
SFF單通道
|
99.48 %
|
|
SFF雙通道
|
99.82 %
|
|
平均危險故障時間 (MTTFD)
|
450586年數
|
|
每小時危險故障可能性(PFHD)
|
2.53 x 10-10
|
|
診斷范圍(DC)
|
99 %
|
|
認證測試周期
|
240月
|
|
安全數據: IEC 61508 - 低要求
|
|
名稱
|
該數據僅在需求率不超過每年一次的情況下生效。
|
|
安全完整性水平(SIL)
|
3
|
|
SFF單通道
|
99.48 %
|
|
SFF雙通道
|
90.34 %
|
|
平均危險故障時間 (MTTFD)
|
11319年數
|
|
所需求的危險故障可能性(PFHAVG)
|
1.43 x 10-4
|
|
診斷范圍(DC)
|
0 %
|
|
認證測試周期
|
40月
|
|
使用周期
|
240月
|
四、尺寸
|
寬度
|
22.5 mm
|
|
高度
|
112 mm
|
|
深度
|
114.5 mm
|
專業銷售菲尼克斯交換機 、菲尼克斯繼電器、菲尼克斯浪涌保護器等。歡迎來電咨詢!