
施邁賽電磁安全鎖AZM系列的設計意圖在于:結合機器的控制部件(如自動防故障延時、防故障靜態監控等),防止可移動安全防護裝置,如圍欄、鉸鏈或門,在危險條件尚未排除的情況下(如運行時)被開啟。
這些電磁安全鎖也用于開啟防護裝置,以表示生產過程中未經允許不得進入的情況。

|
施邁賽電磁安全鎖 AZM40Z-ST-1P2P-PH |
|
|
Ø 緊湊、扁平設計 |
|
|
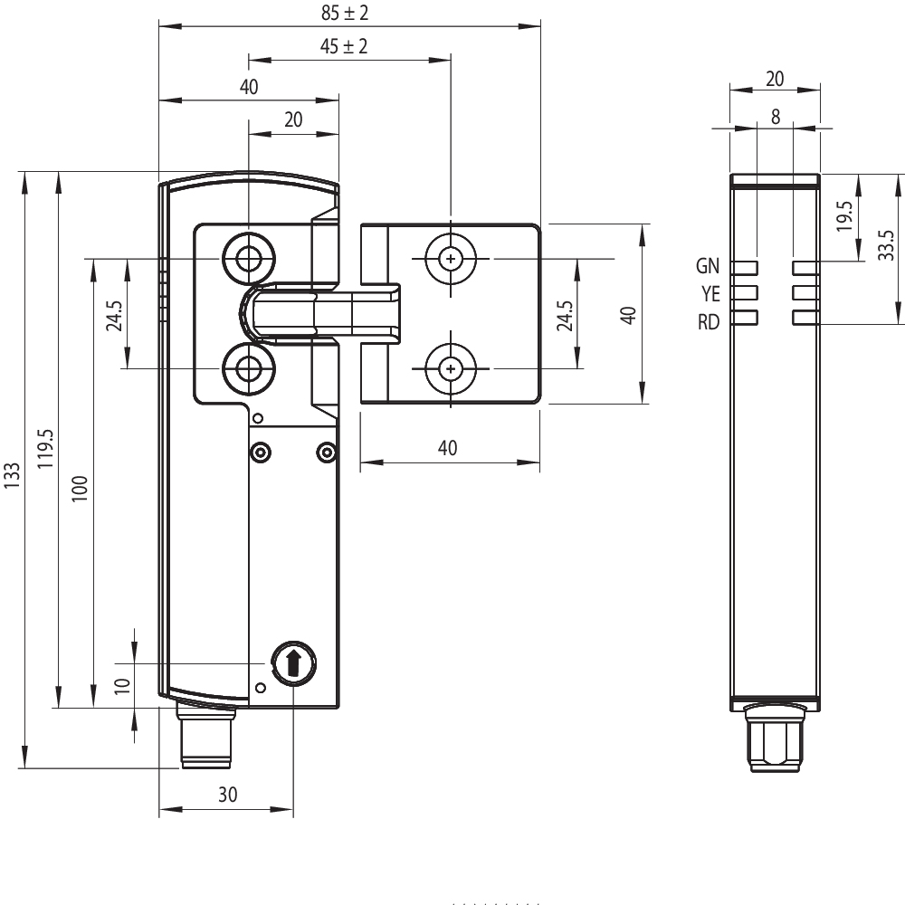
Ø 119,5 mm x 40 mm x 20 mm |
|
|
Ø 高持緊力 2000 N |
|
|
Ø 扣緊力40N |
|
|
Ø 基于需求的防篡改RFID技術 |
|
|
Ø 編碼級別“高”的獨立編碼版本,符合ISO 14119 |
|
|
Ø 適用鉸鏈門和滑動門的獨一型號 |
|
|
Ø 操動件可在180度角內連續聯鎖。 |
|
|
Ø 對稱安裝,可安裝在任意一側 |
|
標準
|
EN ISO 13849-1 EN ISO 14119 EN IEC 60947-5-3 EN IEC 61508 |
|
通用信息 |
通用編碼 |
|
編碼等級,依據EN ISO 14119 |
低 |
|
作用原理 |
RFID |
|
外殼材料 |
玻璃纖維,加強型熱塑塑料和輕合金壓鑄 |
|
準備就緒時間,***大 |
4,000 ms |
|
響應時間,ZUI大 |
100 ms |
|
毛重 |
302 g |
|
響應時間,ZUI大 |
100 ms |
|
風險持續期,ZUI大 |
200 ms |
|
安全輸入關閉時的響應時間安全輸出,***大值 |
1.5 ms |
|
防護裝置鎖定監控 |
是 |
|
鎖 |
是 |
|
手動解鎖 |
是 |
|
短路檢測 |
是 |
|
短路識別 |
是 |
|
串聯連接 |
是 |
|
安全功能 |
是 |
|
整個系統檢測,狀態 |
是 |
|
安全觸點數量 |
2 |
|
標準 |
EN ISO 13849-1 |
|
EN IEC 61508 |
|
聯鎖 |
|
|
性能水平,***高 |
e |
|
控制類別 |
4 |
|
PFH值 |
1.10 x 10UU /h |
|
PFD值 |
8.90 x 10UU |
|
安全完整性等級 (SIL),適用于以下應用 |
3 |
|
任務時間 |
20年 |
|
防護鎖定 |
|
|
性能水平,***高 |
d |
|
控制類別 |
2 |
|
PFH值 |
3.00 x 10UU /h |
|
PFD值 |
2.40 x 10UU |
|
安全完整性等級 (SIL),適用于以下應用 |
2 |
|
任務時間 |
20 年 |
|
聯鎖原理 |
雙穩定 |
|
機械壽命,ZUI少 |
200,000 操作 |
|
合型力,符合 EN ISO 14119 |
2,000 N |
|
合型力,ZUI大 |
2,600 N |
|
鎖定力 |
40 N |
|
操動速度,***大 |
0.5 m/s |
|
固定螺絲類型 |
2 x M5 |
|
確保的開關距離 "ON" |
1mm |
|
確保的開關距離 "OFF" |
8mm |
|
終端連接器 |
連接器M12,8芯,A編碼 |
|
傳感器長度 |
119.5 mm |
|
傳感器寬度 |
40 mm |
|
傳感器高度 |
20 mm |
|
防護等級 |
IP67 IP66 |
|
環境溫度,***小 |
+0 °C |
|
環境溫度,***大 |
+55 °C |
|
儲存和運輸溫度,***小 |
-40 °C |
|
儲存和運輸溫度,***大 |
+85 °C |
|
抗振性,依據EN 60068-2-6: |
10 ... 55 Hz,振幅 1 mm |
|
抗沖擊 |
30 g / 11 ms |
|
防護等級 |
III |
|
額定絕緣電壓 |
32 VDC |
|
額定沖擊耐受電壓 |
0.8 kV |
|
過電壓級別 |
III |
|
污染等級,依據VDE 0100 |
3 |
|
No-load supply current I0 , maximum |
100 mA
|
|
額定工作電壓 |
24 VDC - 15 % / + 10 % (穩定 PELV) |
|
工作電流 |
1,200 mA |
|
依據EN 60947-5-1額定短路電流 |
100 A |
|
注意 |
根據輸出電流,電纜長度和電纜截面會改變電壓降 |
|
轉換頻率,***大 |
0.3 Hz |
|
Current consumption magnet at switching moment, peak |
600 mA / 100ms |
|
Operating voltage |
24 VDC -15 % / 10 % (stabilised PELV power supply ) |


專業銷售施邁賽電磁安全鎖 、施邁賽安全監控模塊、施邁賽安全開關傳感器等。歡迎來電咨詢!
品類齊全
省心省力,一站購齊
一對一客服
選型詢價,快速響應
貨期保障
多倉直發,貨期無憂
正品貨源
正品保障,誠信服務




