








ER22020/T和ER11040T5充電模塊配有散熱風扇,功率密度高,占地少;帶有熱插拔和電池反接保護功能,組屏簡便。
與EMU系列監控模塊通過CAN通訊可實現***結合;此外,還可在協議轉換單元EDU的配合下與PSM系列監控模塊組屏使用。
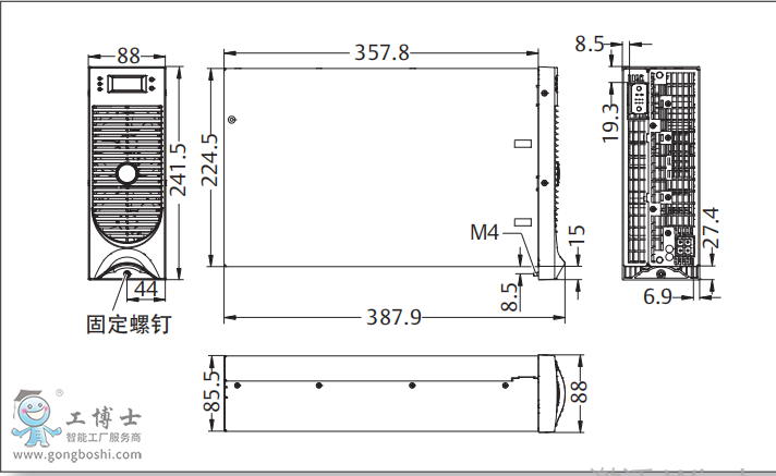
產品特點:
20A/220Vdc或者40A/110Vdc輸出
超寬輸入電壓范圍(260~530Vac),兼容380Vac和480Vac額定電壓等級
ER11040T5具備寬輸出電壓范圍,兼容110Vdc和80Vdc電壓等級
采用三相有源PFC技術,功率因數高達0.99,THDi≤5%
具備電池反接保護功能,即使電池極性接反,模塊能夠自我保護
寬工作溫度范圍,配合空調可應用于4000m及以上海拔區域
采用軟開關技術,效率高,電磁兼容性好
采用無極限流方式,電池充電限流精度高
內置CPU控制,工作穩定可靠,抗干擾能力強
通過CE認證、符合歐盟RoHS指令,安全綠色環保