| |
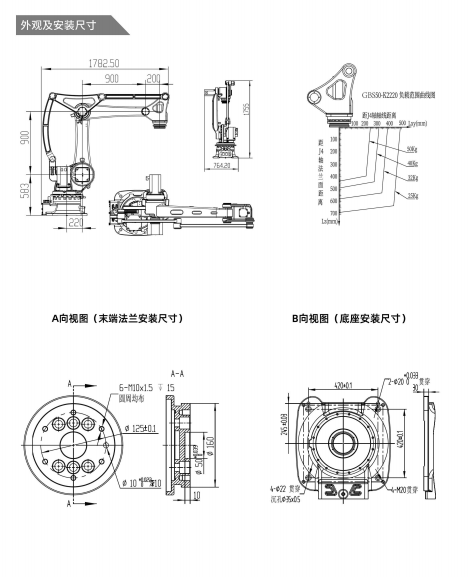
GBS50-K2220|工博士機器人|碼垛機器人 |
 點擊圖片查看原圖
|
|
| 品牌: |
工博士 |
| 型號: |
GBS50-K2220 |
| 軸數: |
6軸 |
| 最大負載: |
50KG |
| 單價: |
面議 |
| 所在地: |
上海 |
| 有效期至: |
長期有效 |
| 最后更新: |
2024-03-20 09:27 |
| 瀏覽次數: |
210 |
 |
|
|
|
- 工博士機器人專賣
-
[VIP第3年] 指數:1
-
通過認證 [誠信檔案]
-
聯系人侯經理(女士)
- 會員 [當前離線] [加為商友] [發送信件]
- 郵件2324603799@qq.com
- 電話13917349335
- 手機13917349335
- 地址上海市寶山區富聯一路98弄6號
-
|
|