產品特點:鋁合金外殼,結構緊湊,高抗電磁干擾,適合在重型電機上使用。
產品特點
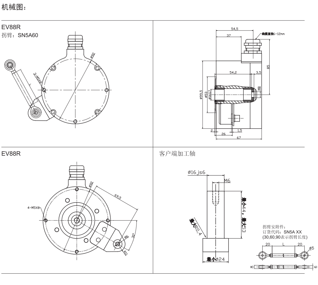
■拐臂以及多種安裝附件方便客戶使用
■金屬外殼,重載系列產品有良好的抗沖擊性
■∅16不銹鋼軸套,經久耐用,內置PEEK絕緣材料有效隔離電氣噪聲
■反接保護和短路保護
■防護等級IP65
■***大分辨率可達2048ppr
■線纜直接出線,方便客戶安裝維護





歡迎廣大用戶向我們咨詢:宜科編碼器,宜科傳感器,宜科模塊,宜科接近開關,elco編碼器,elco傳感器,elco模塊,elco光電傳感器,elco連接器,elco燃燒器,宜科官網,瑞士宜科官網,elco宜科官網,宜科編碼器官網,宜科傳感器官網,宜科接近開關官網,elco官網,瑞士宜科編碼器官網,宜科(天津)電子有限公司,天津宜科編碼器等產品!