CM10系列伺服電機是一款高性能永磁同步電機,**率低溫升給用戶帶來節能的實惠,過載能力強,抗負載擾動能力強,大中小慣量可選擇,適應機械穩定性和高速響應性的要求。標配進口增量型編碼器,可靠性更高,壽命更長。
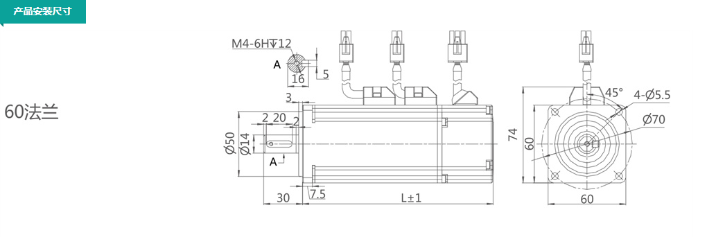
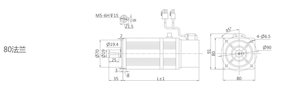
法蘭范圍:60-180
轉矩范圍:0.64N.m~21.5N.m
功率范圍:0.2KW~4.5KW
使用的環境:-20度~40度
絕緣等級:F級
編碼器類型:17bit/23bit***值磁編/光編
過載能力:***高3倍過載
型號表:
CM10-A60TR6430B口口口口
CM10-A60T01330B口口口口
CM10-A80T02430B口口口口
CM10-A80T04025B口口口口
CM10-A130T05025Q口口口口
CM10-A130T06025Q口口口口
CM10-A130T07725Q口口口口
CM10-A130T10015Q口口口口
CM10-A130F06025Q口口口口
CM10-A130F10015O口口口口
CM10-A130F15015Q口口口口
CM10-A130F10025Q口口口口
CM10-A180F27010Q口口口口
CM10-A180F19015Q口口口口
CM10-A130F15025Q口口口口
CM10-A180F21520Q口口口口
CM10-A180F27015Q口口口口




想了解更多關于深圳四方變頻器、四方PLC請咨詢客服