這里有您所需的答案! 通過豐富的功能和核心組件,可滿足散裝零件抓取、嵌裝、組裝、打磨、加工等廣泛用戶的需求。
6軸垂直多關節型
負載:12KG
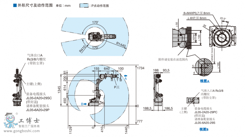
動態范圍:1440mm
控制柜:YRC1000/YRC1000micro
用途:搬運、取件/包裝、碼垛、組裝/分裝
生產效率大幅度提升
●合成速度比原有機型提升約30% 實現節拍時間縮減
●采用了減小手臂與周邊設備的干涉的設計
●采用中空手臂構造,可將傳感線纜以及氣體管道內置其中
抗干擾的堅固構造
●機器人手腕部分采用IP67標準
●可對應接頭基座面向下引出
提升維護性
●減少了機器人與控制柜間的電纜線數,提升了維護性的同時提供簡潔的設備
● 大幅度縮減電纜定期更換作業時間
| 標準規格 |
GP12 |
| 型號 |
YR-1-06VXH12-A00 |
| 構造 |
垂直多關節型(6個自由度) |
| 可搬質量*1 |
12kg |
| 重復定位精度*2 |
±0.08mm |
| 動作范圍 |
S軸(旋轉) |
-170° - +170° |
| L軸(下臂) |
-90° - +155° |
| U軸(上臂) |
-85° - +190° |
| R軸(手腕旋轉) |
-200° - +200° |
| B軸(手腕擺動) |
-150° - +150° |
| T軸(手腕回轉) |
-455° - +455° |
| *大速度 |
S軸(旋轉) |
4.53rad/s, 260°/s |
| L軸(下臂) |
4.01rad/s, 230°/s |
| U軸(上臂) |
4.53rad/s, 260°/s |
| R軸(手腕旋轉) |
8.20rad/s, 470°/s |
| B軸(手腕擺動) |
8.20rad/s, 470°/s |
| T軸(手腕回轉) |
12.2rad/s, 700°/s |
| 容許力矩 |
R軸(手腕旋轉) |
22N.m |
| B軸(手腕擺動) |
22N.m |
| T軸(手腕回轉) |
9.8N.m |
容許慣性力矩
(GD2/4) |
R軸(手腕旋轉) |
0.65kg.m2 |
| B軸(手腕擺動) |
0.65kg.m2 |
| T軸(手腕回轉) |
0.17kg.m2 |
| 本體質量 |
130kg |
| 防護等級 |
本體:IP54, 手腕軸:IP67 |
| 安裝環境 |
溫度 |
0° - +45° |
| 濕度 |
20% - 80%RH(無結露) |
| 震動 |
4.9m/s2以下 |
| 其他 |
不可有引火性及腐蝕性氣體,液體遠離電氣噪音源 |
| 電源容量*3 |
1.5kVA |
| 安裝方式*4 |
置地式,倒掛式,壁掛式,傾斜式 |
*1:U臂上的負載隨手腕部負載重量變化。
*2:JIS B 8432為基準。
*3:因用途,動作模式而異。
*4:壁掛式,傾斜式安裝時,S軸的動作會有限制。(注)本表是以SI單位系為記載。


了解更多相關資訊請點擊:
YASKAWA安川機器人