BD|SENSORS
差壓變送器將不同傳感器技術與緊湊型鋁合金殼體或塑料外殼相結合,能應用于多種液體和氣體測量,如測量暖通領域中的通風管道、過濾器和風扇以及密閉加壓艙的液位測量。

XMD應用于工程機械,化工行業,能源行業,暖通,食品飲料行業,石油和天然氣行業,包裝盒造紙行業等。
【產品特點】
額定量程: 0 ... 75 mbar 至 0 ... 2 bar
本安防爆型
輸出信號:線性或平方根
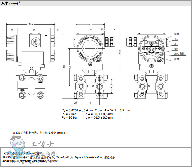
HART®通訊
雙腔鋁合金殼體或不銹鋼外殼
量程比(Turn-Down) 1:10
*大靜過壓 130 bar
不銹鋼隔膜 1.4401
精度: 0.05 % FSO BFSL
耐過壓能力強
隔爆型
內置顯示器和操作模塊
本公司鄭重承諾,凡從我公司定購此品牌產品如收到貨物時發現有假貨仿貨均以10倍金額賠償.