上個月的寶馬展順利謝幕,因疫情今年去參展的同行們少了許多,萬福樂在這次展會上的產品推陳出新,吸引了不少業內同行來參觀。我們也很榮幸的認識了在萬福樂電磁閥公司工作多年的研發工程師Mike ,并向他請教了許多萬福樂電磁閥方面的知識。
像如何認識和辨別一套完整的液壓系統是否成熟可用,及里面的執行元件,包括控制閥的種類,原理,圖解,及后期做方案設計的選用,***后的故障診斷分析方面,通過交談我們獲益不少。

目前工業中常用到的液壓閥主要有:單向閥,換向閥,溢流閥,減壓閥,順序閥,流量控制閥,電液伺服閥,電液比例閥,螺紋插裝閥,疊加閥等等,熟知并了解這些閥的工作原理,可以有效的幫助我們進行后期的選用及故障分析。

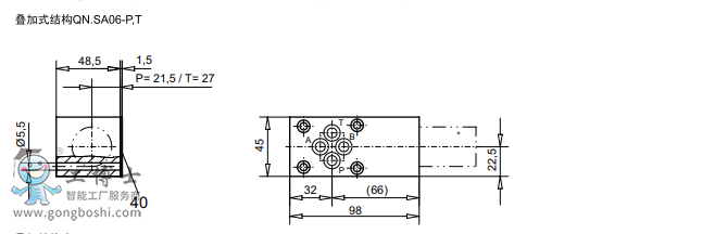
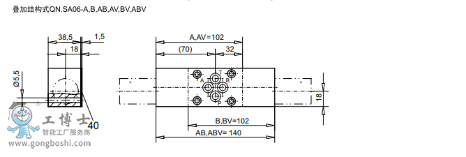
今天來給大家普及一下萬福樂的比例流量控制閥,他們生產的這款閥是直動型帶壓力補償功能,分為板式和疊加式結構,采用M22×1.5螺紋,ISO7789標準的螺紋插裝式比例流量控制閥,疊加塊體機能為A路,B路以及AB路控制,并且配有旁路單向閥用于反向通流。它的主要功能是調節和保持執行機構運動速度且不受負載變化的影響。板式及疊加式比例流量控制閥應用于負載變化較大,且對速度穩定性要求高的***運動控制系統,根據工況可實現正向流量調節或反向流量調節。

常用的型號為:
QDPFA06-A/B-25-G24/WD-HB4,5
QNPFA06-A/B-8-G24/WD-HB4,5
QNPFA06-A/B-16-G24/WD
QDPFA06-A/B-16-G24/MEA1R1-HB4,5
QNPFA06-A/B-8-G24/WD
QNPFA06-A/B-25-G12/WD
QNPFA06-A/B-3,2-G24/WD-HB4,5
QNPFA06-A/B-25-G24/WD-HB4,5
QNPFA06-A/B-16-G12/WD-HB4,5
QNPFA06-A/B-16-G24/WD-HB4,5
QNPFA06-A/B-3,2-G24/WD-D1HB4,5
QNBFA06-A/B-16-G24/L15
QNPFA06-A/B-25-G24/WD
QNPFA10-A/B-63-G24/WD-HB4,5
QNPSA06-P-3,2-G24/WD
QNPSA06-P-25-G24/WD-HB4,5
QNPSA06-AV-8-G24/WD
QNPSA06-T-25-G24/WD-HB4,5
QNPSA06-AV-3,2-G24/WD
QNPSA06-BV-25-G24/WD-HB4,5
QNPSA06-B-3,2-G24/MEA1
QNPSA06-P-8-G24/WD
QDPSA06-P-25-G24/WD
QNPSA06-AB-25-G24/WD-HB4,5
QNPSA06-T-16-G24/WD-HB4,5
QDPSA06-P-16-G24/WD
QNPSA06-T-16-G24/WD
QNPSA06-BV-16-G24/MEA1-HB4,5
QNPSA06-P-16-G24/WD-HB4,5
QNPSA06-B-25-G24/WD-HB4,5
QNPSA06-P-25-G24/WD
QDPSA06-P-8-G24/WD
QDPSA10-P-63-G24/WD-HB4,5
QNPSA10-P-63-G24/WD-HB4,5
QNPSA10-T-63-G24/WD
QNPSA10-P-80-G24/WD
QNPSA10-AV-63-G24/WD-HB4,5
QDPSA10-P-63-G12/WD-HB4,5
QNPSA10-B-63-G24/WD
QNPSA10-BV-63-G24/WD-HB4,5
QNPSA10-T-63-G24/WD-HB4,5
QNPSA10-P-32-G24/WD-HB4,5
QDPFA06-A/B-25-G24/WD-HB4,5
QNPFA06-A/B-8-G24/WD-HB4,5
QNPFA06-A/B-16-G24/WD
QDPFA06-A/B-16-G24/MEA1R1-HB4,5
QNPFA06-A/B-8-G24/WD
QNPFA06-A/B-25-G12/WD
QNPFA06-A/B-3,2-G24/WD-HB4,5
QNPFA06-A/B-25-G24/WD-HB4,5
QNPFA06-A/B-16-G12/WD-HB4,5
QNPFA06-A/B-16-G24/WD-HB4,5
QNPFA06-A/B-3,2-G24/WD-D1HB4,5
QNBFA06-A/B-16-G24/L15
QNPFA06-A/B-25-G24/WD
QNPFA10-A/B-63-G24/WD-HB4,5
QNPSA06-P-3,2-G24/WD
QNPSA06-P-25-G24/WD-HB4,5
QNPSA06-AV-8-G24/WD
QNPSA06-T-25-G24/WD-HB4,5
QNPSA06-AV-3,2-G24/WD
QNPSA06-BV-25-G24/WD-HB4,5
QNPSA06-B-3,2-G24/MEA1
QNPSA06-P-8-G24/WD
QDPSA06-P-25-G24/WD
QNPSA06-AB-25-G24/WD-HB4,5
QNPSA06-T-16-G24/WD-HB4,5
QDPSA06-P-16-G24/WD
QNPSA06-T-16-G24/WD
QNPSA06-BV-16-G24/MEA1-HB4,5
QNPSA06-P-16-G24/WD-HB4,5
QNPSA06-B-25-G24/WD-HB4,5
QNPSA06-P-25-G24/WD
QDPSA06-P-8-G24/WD
QDPSA10-P-63-G24/WD-HB4,5
QNPSA10-P-63-G24/WD-HB4,5
QNPSA10-T-63-G24/WD
QNPSA10-P-80-G24/WD
QNPSA10-AV-63-G24/WD-HB4,5
QDPSA10-P-63-G12/WD-HB4,5
QNPSA10-B-63-G24/WD
QNPSA10-BV-63-G24/WD-HB4,5
QNPSA10-T-63-G24/WD-HB4,5
QNPSA10-P-32-G24/WD-HB4,5